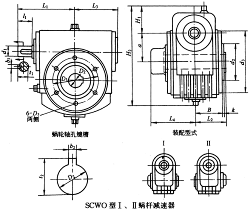
SCWS型軸裝式圓弧圓柱蝸桿減速機(jī)詳細(xì)介紹:
SCWS63軸裝式圓弧圓柱蝸桿減速機(jī)、SCWS80軸裝式圓弧圓柱蝸桿減速機(jī)、
SCWS100軸裝式圓弧圓柱蝸桿減速機(jī)、SCWS125軸裝式圓弧圓柱蝸桿減速機(jī)、
SCWS140軸裝式圓弧圓柱蝸桿減速機(jī)、SCWS160軸裝式圓弧圓柱蝸桿減速機(jī)、
SCWS180軸裝式圓弧圓柱蝸輪減速機(jī)、SCWS200軸裝式圓弧圓柱蝸桿減速機(jī)、
SCWS225軸裝式圓弧圓柱蝸桿減速機(jī)、SCWS250軸裝式圓弧圓柱蝸桿減速機(jī)、
SCWS280軸裝式圓弧圓柱蝸桿減速機(jī)、SCWS315軸裝式圓弧圓柱蝸桿減速機(jī)




江蘇重泰減速機(jī)有限公司
采購 泰興減速機(jī) 請(qǐng)選擇重泰減速機(jī)有限公司(原 泰興減速機(jī)總廠)
全國(guó)咨詢電話: 13861821233 傳真:0510-80212333/85516654/85508340
座機(jī):0510-80212111/80212555/80210978/85519221/85518416/85511836
郵箱:1051532995@qq.com 地址:無錫市梁溪區(qū)蔚藍(lán)路97號(hào)